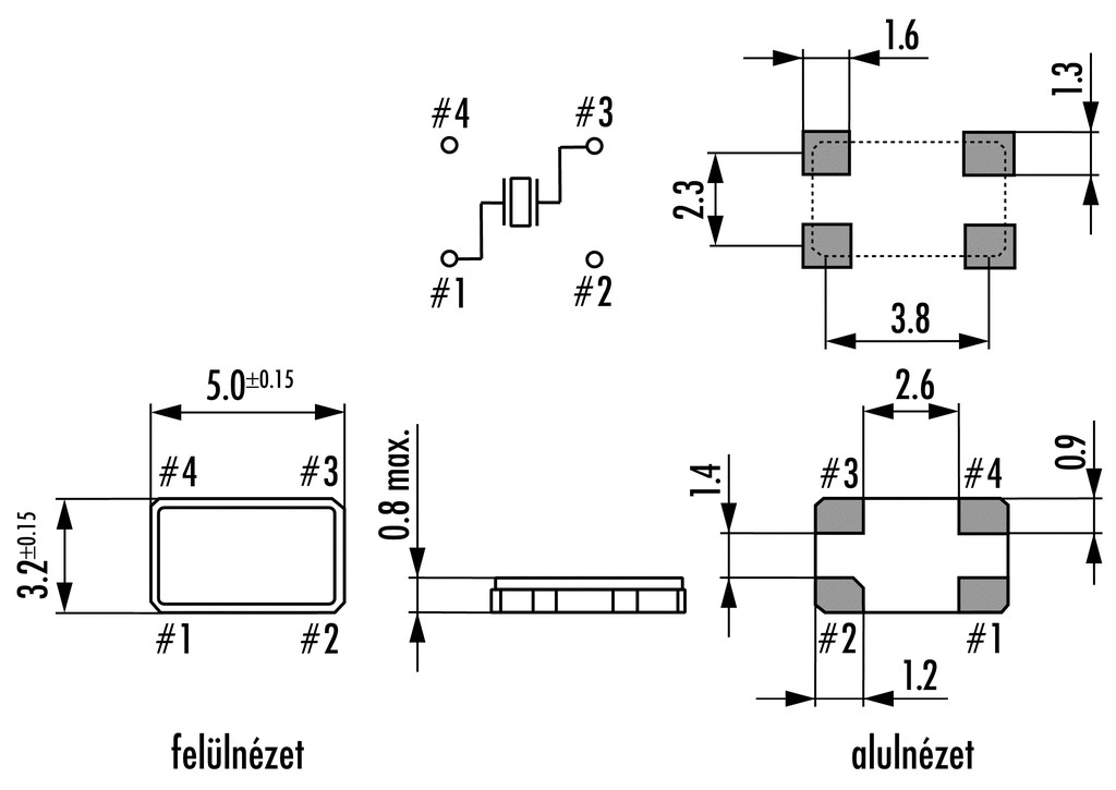
Q32,0-JXS53-12-10/10-FU-LF - 32MHz 10ppm SMD Cl=12pF JXS53 kvarc - JAUCH
1.556 €+ VAT
1.9761 € incl. VAT
1.9761 € incl. VAT
