RET electronic logo

Do you have any questions? +36 62 554 600

Categories
RET electronic logo

Do you have any questions? +36 62 554 600

  • Categories
    • New arrivals
    • Passive components 9237
    • Active components, Discrete semiconductors 2990
    • Optoelectronics 1279
    • Active components, Integrated Circuits, Modules 8092
    • Sensors, Sensor Modules 314
    • Switches,Pushbuttons and Relays 1220
    • Connectors and Sockets 5459
    • Fuses 689
    • Heatsinks, Fans, Thermal Management and Insulation 853
    • Cables and Wires 1541
    • PCBs 45
    • Mechanical Components 1560
    • Audio components 94
    • Chemicals, Soldering 153
    • Batteries and Accumulators 69
    • Measuring Instruments, Tools and Acessories 849
    • Other Devices and Equipments 1496
  • Linecard
  • Price Request
  1. Crystals
  1. Passive components
  2. Crystals, Oscillators, Ceramic Resonators
  3. Crystals

Q25,0-JXS53-12-30/30-FU-LF - 25MHz 30ppm SMD Cl=12pF JXS53 kvarc - JAUCH

Item number: 
62-02-61
Q25,0-JXS53-12-30/30-FU-LF - 25MHz 30ppm SMD Cl=12pF JXS53 kvarc - JAUCH
Q25,0-JXS53-12-30/30-FU-LF - 25MHz 30ppm SMD Cl=12pF JXS53 kvarc - JAUCH

The picture is for illustration purposes only. Please read the product description!

Q25,0-JXS53-12-30/30-FU-LF - 25MHz 30ppm SMD Cl=12pF JXS53 kvarc - JAUCH
Q25,0-JXS53-12-30/30-FU-LF - 25MHz 30ppm SMD Cl=12pF JXS53 kvarc - JAUCH
Out of stock
Quartz Crystal, 30ppm SMD Cl=12pF JXS53
Manufacturer code:
Q25,0-JXS53-12-30/30-FU-LF
Manufacturer:
JAUCH
Datasheet:
JXS53-150213.pdf
Group:
Crystals
Component Family:
Crystal, SMD JXS53-series
Product Range:
JXS53
Case Style:
Surface Mount (SMD)
Case:
JXS53
Termination Type:
Surface mount (SMD)
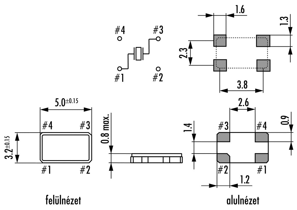
Number of Pins:
4
External Length [mm]:
5 mm
External Width [mm]:
3.2 mm
External Height [mm]:
0.8 mm
Raster measure:
2.4 mm
Frequency Tolerance [ppm @ °C]:
± 30 ppm @ 25 °C
Temperature Stability [ppm]:
± 30 ppm
Load Capacitance [pF]:
12 pF
Operating Temperature Min. [°C]:
-20 °C
Operating Temperature Max. [°C]:
+70 °C
ROHS:
Yes
Frequency [MHz]:
8 MHz
25 MHz
16 MHz
10 MHz
24 MHz
20 MHz
17.734475 MHz
32 MHz
11.0592 MHz
13.56 MHz
14.31818 MHz
14.7456 MHz
Our Warehouse
0 pcs
Available for immediate delivery
Our Shop in Szeged
0 pcs
In Stock (or in 2 days from our warehouse the available quantity)
Package deals
Data
Additional Datasheet:
RETKAT2012_D_004.pdf ROHS_Jauch.pdf
Similar products
Customer account
  • Sign In
  • Sign Up
  • My Profile
  • Cart
  • My Favorites
Information
  • Terms and Conditions
  • Privacy Policy
  • Payment
  • Shipping
  • Contact details
  • GyIK kártyás fizetésről
  • Bankkártyás fizetési tájékoztató
Robtron Elektronik Trade Kft.
  • About us
  • Déryné u. 24. (Headquarters only), Szeged, 6726
  • Store: Szent Miklós u. 9/A., 6724, Szeged, Hungary
  • +36 62 554 600
  • web@web.ret.hu
  • facebook

  • x

  • instagram

Subscribe to our newsletter

Special offers, news, information...

Subscribe to our newsletter and be the first to know about our latest products and promotions. (Available in Hungarian language only.)

Subscribe
Dun-and-Bradstreet-Tanusitvany-logo-magyar.png
CIB
cib
  • New arrivals
  • Passive components 9237
  • Active components, Discrete semiconductors 2990
  • Optoelectronics 1279
  • Active components, Integrated Circuits, Modules 8092
  • Sensors, Sensor Modules 314
  • Switches,Pushbuttons and Relays 1220
  • Connectors and Sockets 5459
  • Fuses 689
  • Heatsinks, Fans, Thermal Management and Insulation 853
  • Cables and Wires 1541
  • PCBs 45
  • Mechanical Components 1560
  • Audio components 94
  • Chemicals, Soldering 153
  • Batteries and Accumulators 69
  • Measuring Instruments, Tools and Acessories 849
  • Other Devices and Equipments 1496
  • Linecard
  • Price Request
Change language
  • hu
  • de
  • en
Change currency
Sign in
Sign Up
Privacy settings
Our website uses cookies necessary for basic functionality. You can allow additional cookies for broader features (marketing, analytics, personalization). For more details, see our Privacy Policy in the Privacy Notice.
Essential cookies are critical for the website’s core functions, and the site will not work properly without them. These cookies do not store personally identifiable information.
We use marketing cookies to track visitors’ activity on the site. The goal is to show relevant ads to individual users (e.g., via Google Ads and Facebook Ads) and encourage engagement, making our website more valuable.
Statistical cookies help the website owner understand how visitors interact with the site by collecting and reporting data anonymously.
Personalization cookies let us remember information that changes how the website behaves or looks.