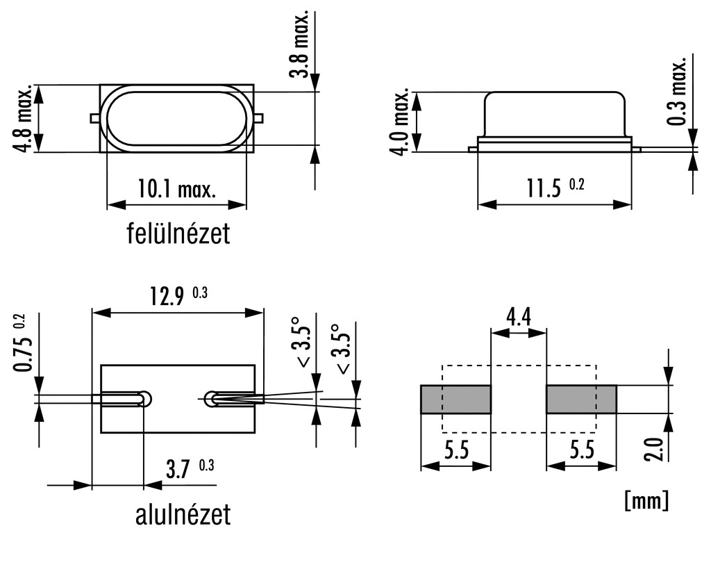
Q6,00-SMU4-30-30/30-T1-LF - 6MHz 30ppm SMD Cl=30pF HC-49/U4H SMD (SMU4) -40..+85°C kvarc - JAUCH
0.5204 €+ VAT
0.6609 € incl. VAT
0.6609 € incl. VAT
