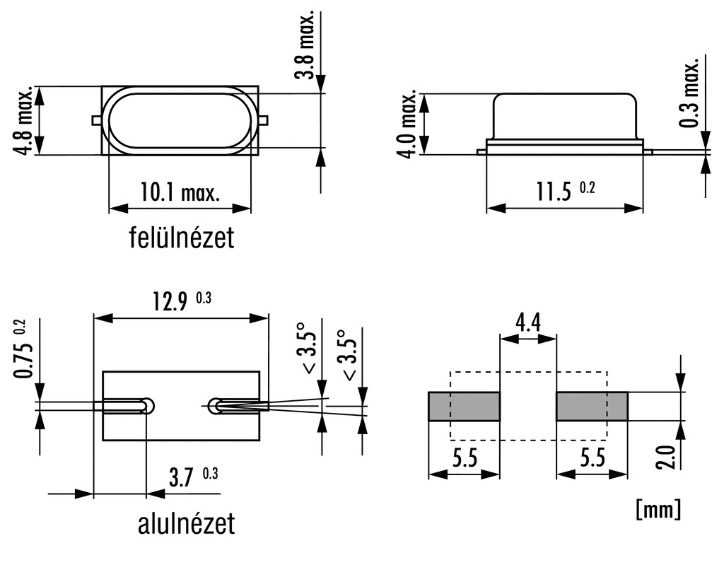
Q7,37280-SMU4-30-30/30-LF - 7.3728MHz 30ppm SMD Cl=30pF HC-49/U4H SMD (SMU4) kvarc - JAUCH
0.3269 €+ VAT
0.4152 € incl. VAT
0.4152 € incl. VAT
