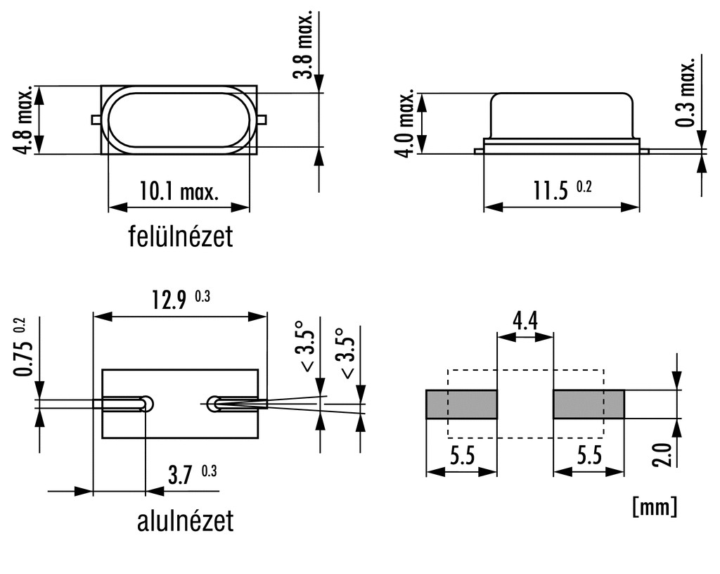
Q25,0-SMU4-30-30/30-FU-LF - 25MHz 30ppm SMD Cl=30pF HC-49/U4H SMD (SMU4) kvarc - JAUCH
0.2563 €+ VAT
0.3255 € incl. VAT
0.3255 € incl. VAT
