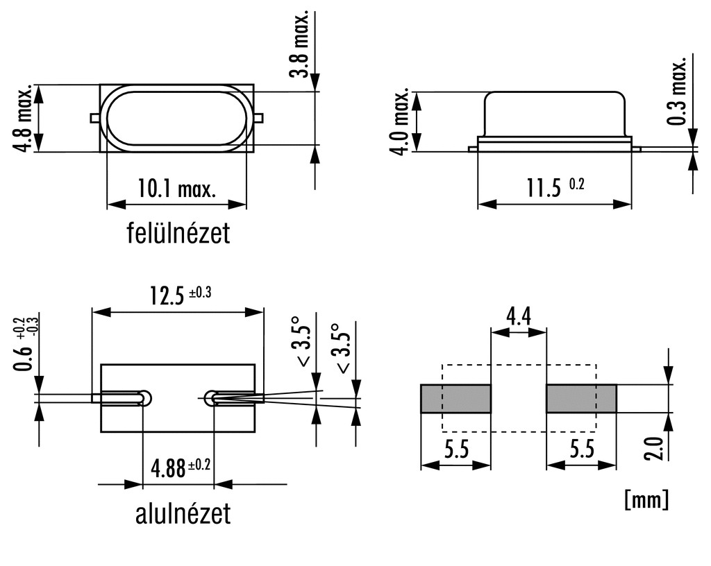
Q4,0-SMU3-30-30/100-T1-LF - 4MHz 30ppm SMD Cl=30pF, -40..85°C HC-49/U4H SMD (SMU3) kvarc - JAUCH
0.4315 €+ VAT
0.548 € incl. VAT
0.548 € incl. VAT
