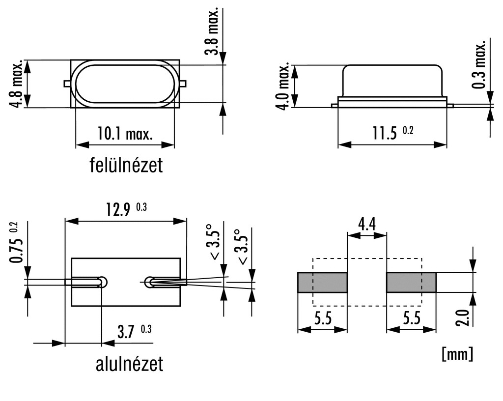
Q14,74560-SMU4-30-30/30-LF - 14.7456MHz 30ppm SMD Cl=30pF HC-49/U4H SMD (SMU4) kvarc - JAUCH
0.3897 €+ VAT
0.4949 € incl. VAT
0.4949 € incl. VAT
