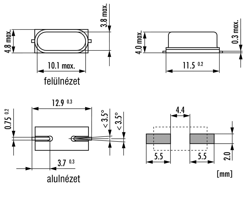
Q-4,0-SMU4-12-20/30-LF - 4MHz 20ppm SMD Cl=12pF HC-49/U4H SMD (SMU4) kvarc - JAUCH
0.5204 €+ VAT
0.6609 € incl. VAT
0.6609 € incl. VAT
