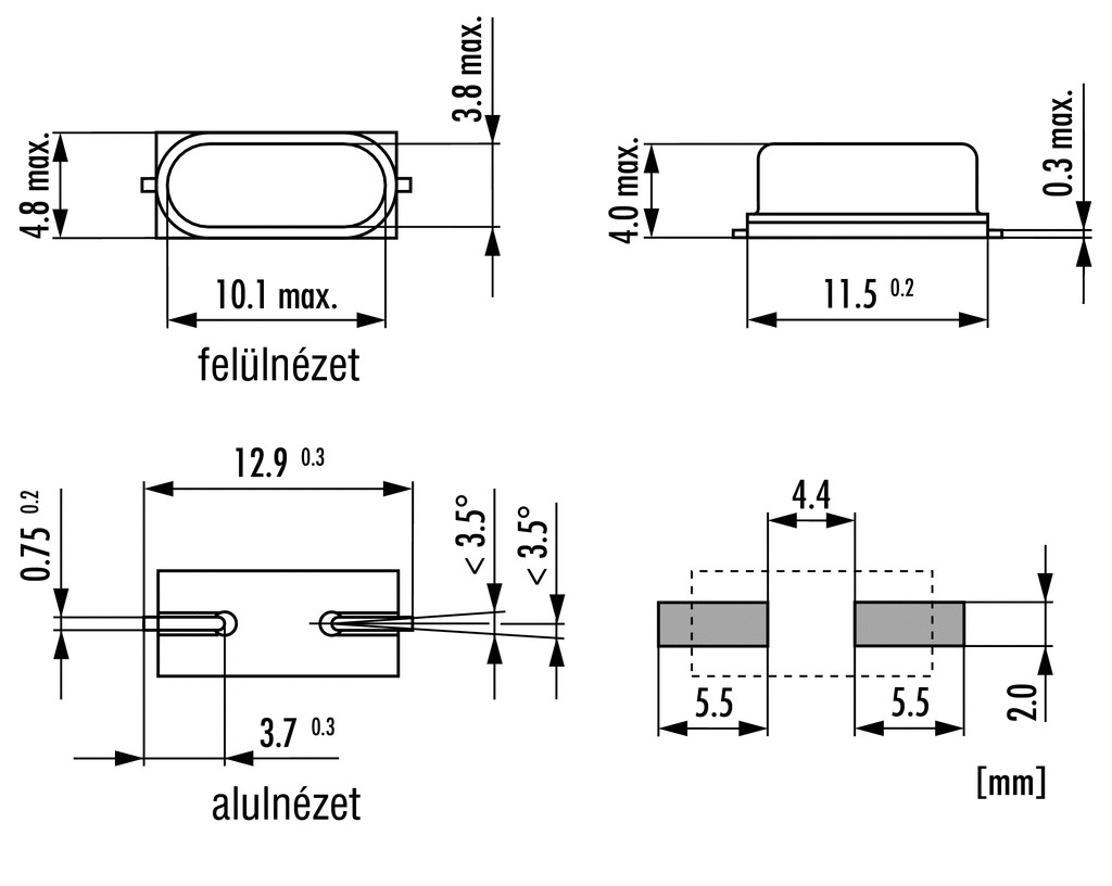
Q24,5760-SMU4-30-30/30-FU-LF - 24.576MHz 30ppm SMD Cl=30pF HC-49/U4H SMD (SMU4) kvarc - JAUCH
0.4995 €+ VAT
0.6344 € incl. VAT
0.6344 € incl. VAT
