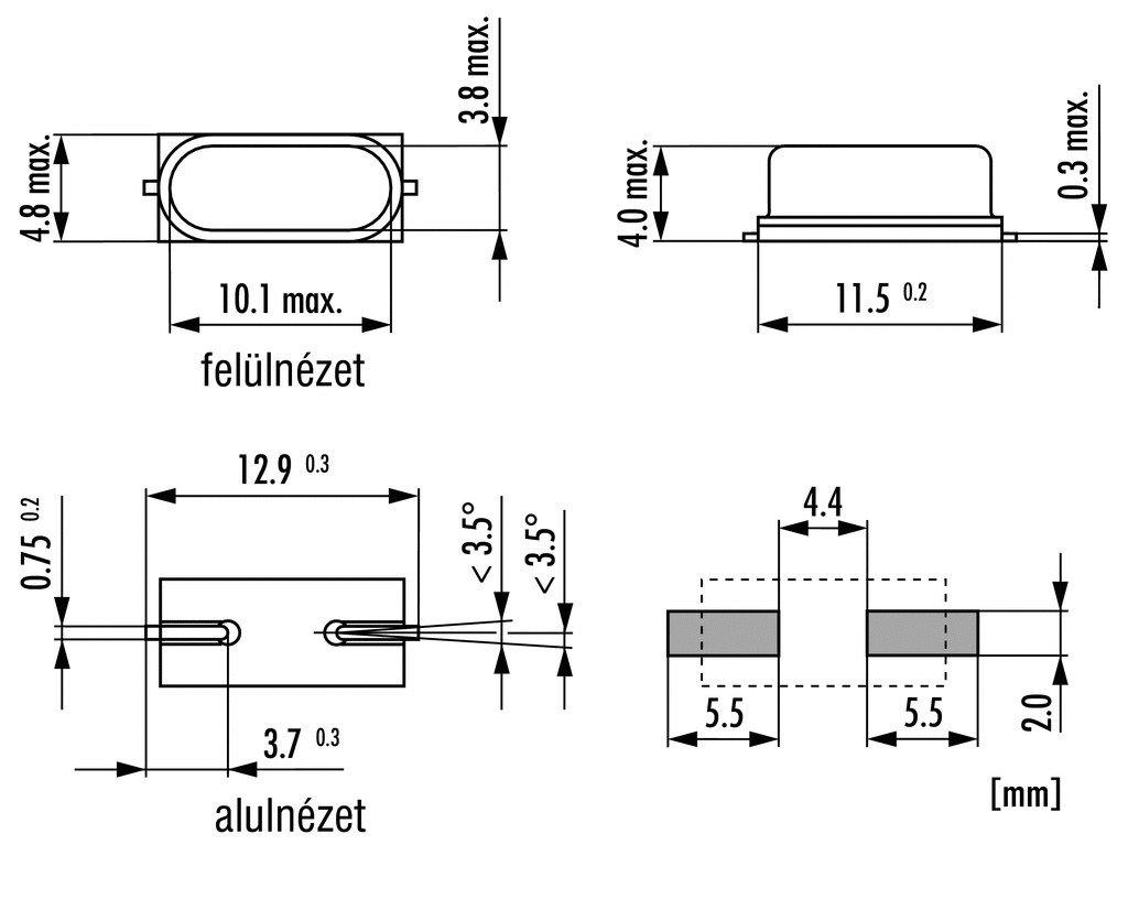
Q22,11840-SMU4-30-30/30-FU-LF - 22.1184MHz 30ppm SMD Cl=30pF HC-49/U4H SMD (SMU4) kvarc - JAUCH
0.442 €+ VAT
0.5613 € incl. VAT
0.5613 € incl. VAT
