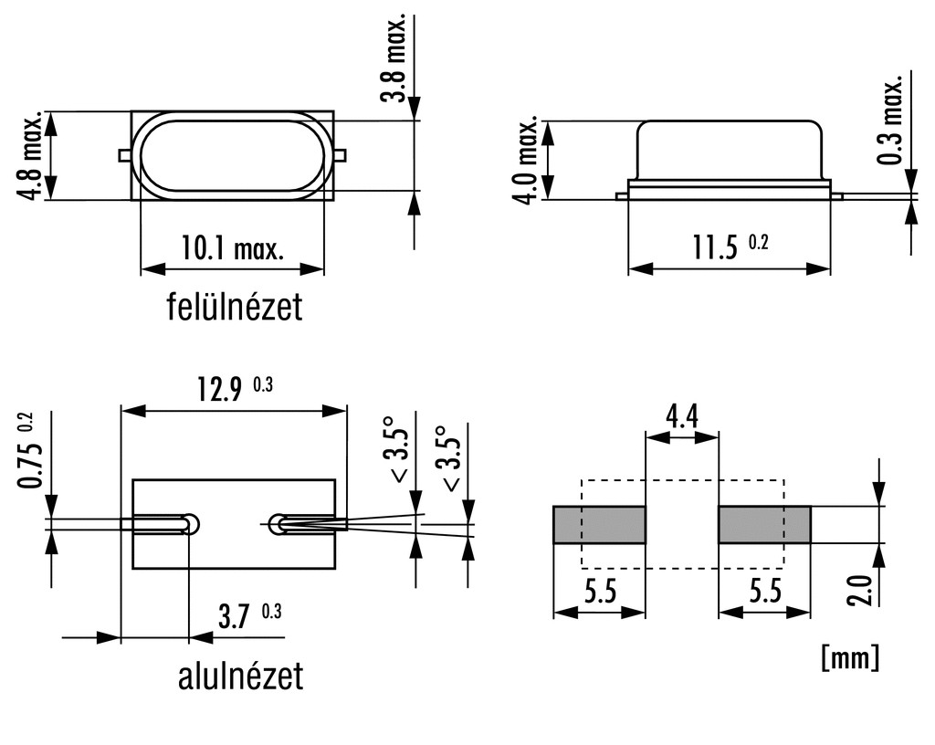
Q11,05920-SMU4-30-30/30-LF - 11.0592MHz 30ppm SMD Cl=30pF HC-49/U4H SMD (SMU4) kvarc - JAUCH
0.2981 €+ VAT
0.3786 € incl. VAT
0.3786 € incl. VAT
