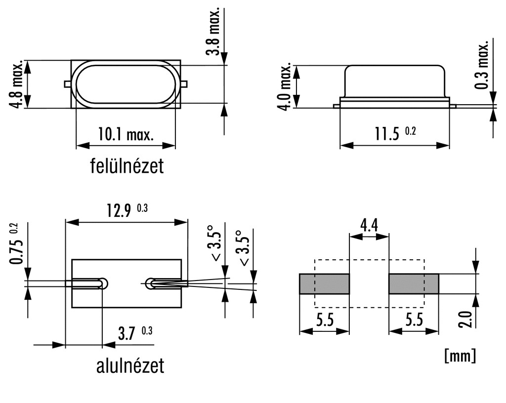
Q9,83040-SMU4-30-30/30-LF - 9.8304MHz 30ppm SMD Cl=30pF HC-49/U4H SMD (SMU4) kvarc - JAUCH
0.3191 €+ VAT
0.4052 € incl. VAT
0.4052 € incl. VAT
