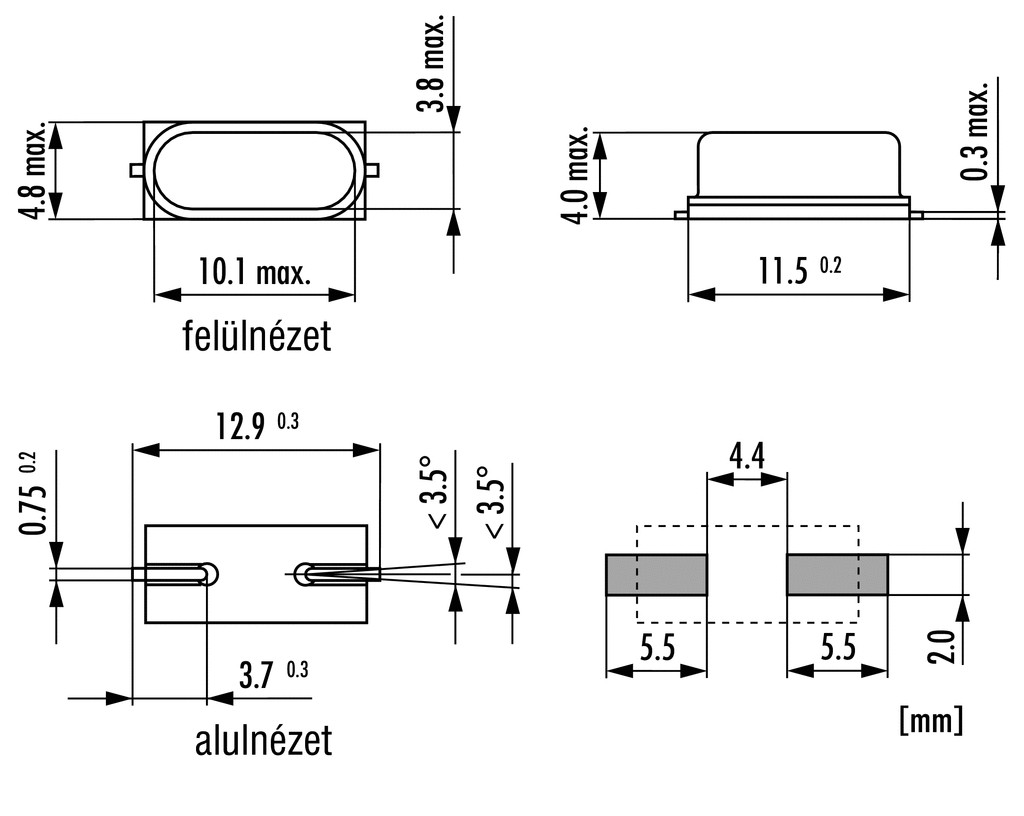
Q4,0960-SMU4-30-30/50-LF - 4.096MHz 30ppm SMD Cl=30pF HC-49/U4H SMD (SMU4) kvarc - JAUCH
0.3897 €+ VAT
0.4949 € incl. VAT
0.4949 € incl. VAT
