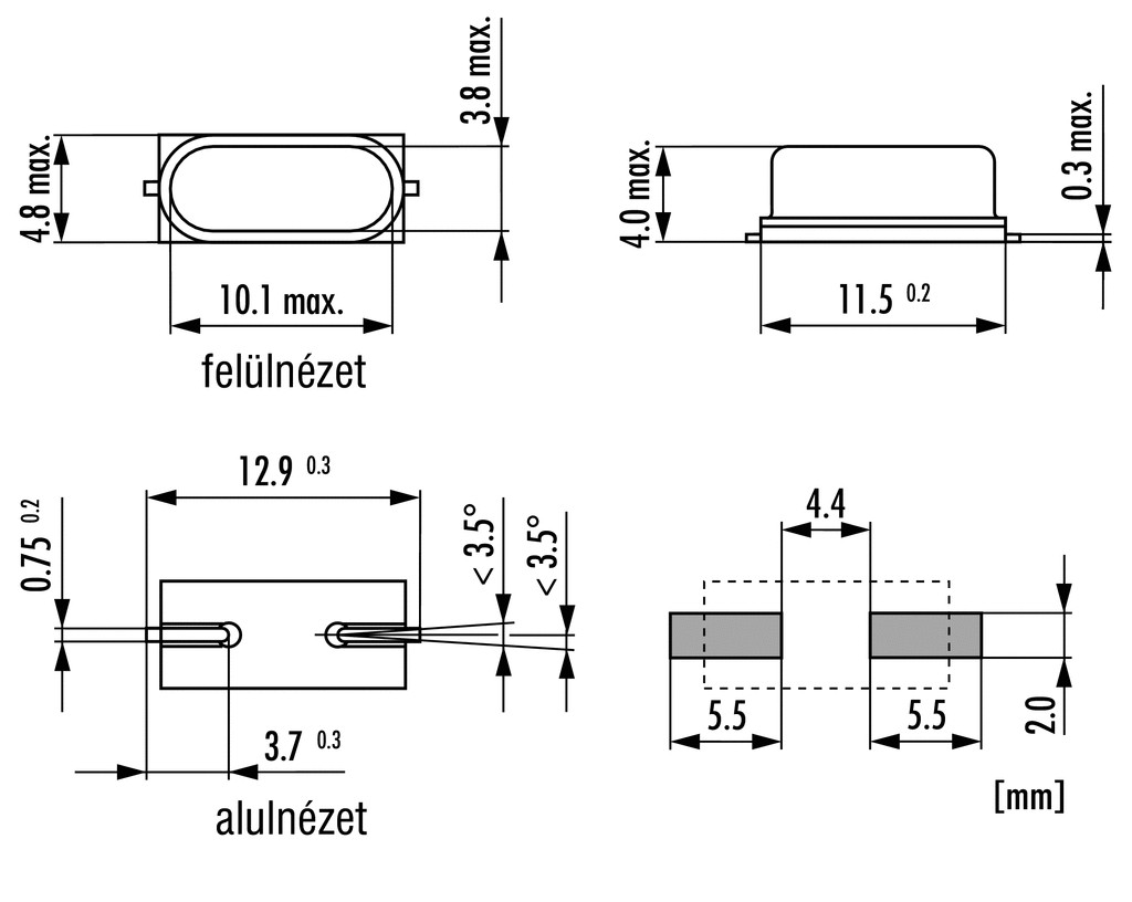
Q3,27680-SMU4-30-50/100-T1-LF - 3.2768MHz 50ppm SMD Cl=30pF HC-49/U4H SMD (SMU4) kvarc - JAUCH
0.6015 €+ VAT
0.7639 € incl. VAT
0.7639 € incl. VAT
