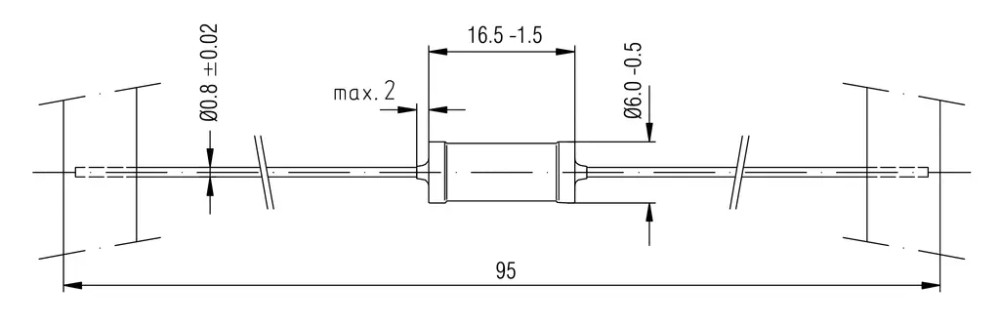
POS300JT-77-330KAA - 330KOhm 3W 5% RM8 fémréteg ellenállás - YAGEO
0,1297 €+ MwSt.
0,1647 € inkl. MwSt.
0,1647 € inkl. MwSt.
